Thursday, November 18th, 2021 AT 9:44 AM
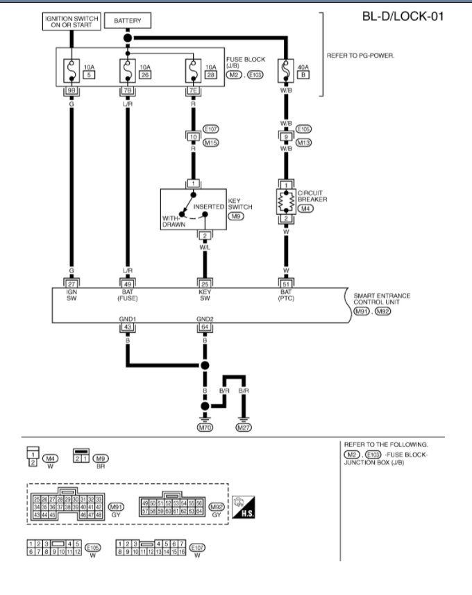
Hi, I installed a new dashboard clock onto my vehicle listed above xtrailt30. However, after installation discovered that central locking isn't working. The hazards respond when I press the remote but does do not lock. Put back old dash to confirm and with old dash clock it worked. What can I do?




