Friday, December 30th, 2022 AT 5:55 PM
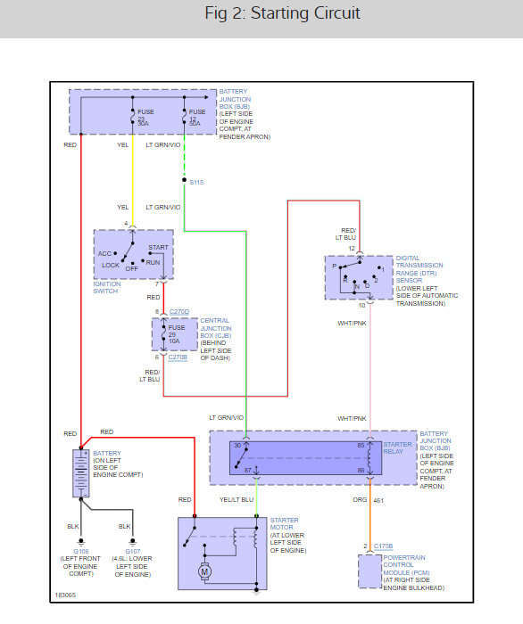
Car won’t turn over sometimes, it just has the dash lights on and everything else on, but it won’t start/crank. I replaced the starter last year and the battery I just replaced a day ago and I replaced the starter relay and the battery terminals. It would sometimes crank and there would be times it wouldn’t crank no matter how much I turn the key, it would crank after waiting a few minutes sometimes. I been trying to figure out the problem, but I can’t seem to find it.






