Sunday, November 4th, 2018 AT 10:36 AM
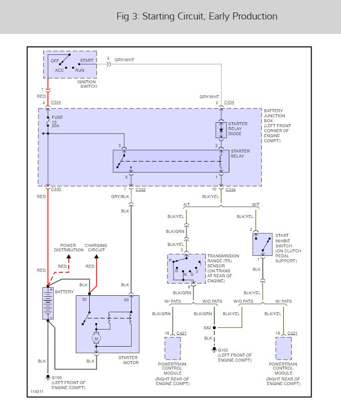
I have a the car listed above v6 vin Lt. I replaced the starter and then tried to start the car with no luck. Car does not make a sound unless you jump the starter itself. So I changed the fuel pump because I could not hear it come on when I turned the ignition switch on, however I am still having the same issue. I can spin it over directly from the starter but it is like it is not getting any fuel. It will just sit there and spin over and over without starting. Can someone please help me with this issue ASAP? Please I have to have this vehicle fixed as soon as possible so I will have a ride to work and wherever else I need or have to go. Please all answers will be greatly appreciated.


