Tuesday, January 28th, 2020 AT 8:12 PM
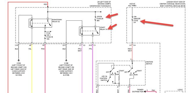
I replaced/tested (and checked for resistance) all relays and fuses last night (especially crank/start/pwr trn) and got the lighting back online after an ordeal of erratic and flickering instrument cluster and dashboard lights, symbols, check engine light, ABS etc. Car remained normal while driving home and interior and headlights perfectly strong. Turned off the car and checked fluids (all normal and no leaks). Tried to start car 3 hours later, but car remained unresponsive (no cranking and no instrument lighting). Instrument panel normalized and battery recharged holding at 13.1V-12.87V after replacing and testing relays and fuses, but will not click or crank. OBDII No codes. Anti Theft/Starter/Alternator was told unlikely suspect since car was in drive mode already and battery remained strong. Nevertheless I am testing these components but can't find an issue. What is going on?































