Monday, February 3rd, 2020 AT 10:23 PM
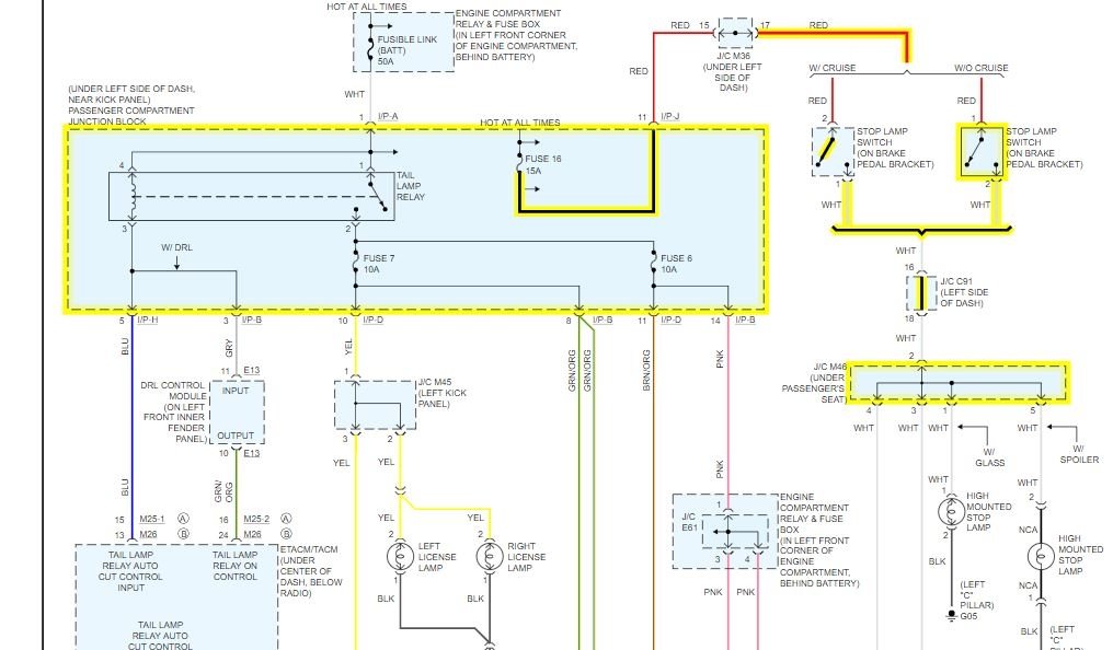
So the other day my bright lights completely stopped working all three of them. My running lights blinkers hazards everything else works except my brake lights. Search The forum for people who had the same problem and what their solutions were but to no avail. I couldn't find a problem, so this is what I ended up doing: First I remove both taillights from the car I grabbed two random brake light receptacle another car figured out where they would fit in the taillights and made two holes in the taillights and securely inserted the light receptacle with bulb. Then I ran a wire from the positive post of the battery through the firewall to the brake pedal switch from there I ran another wire from brake pedal switch following the other wires that are underneath the plastics to the rear of the car where the brake light switch located attach wire to power wire on the new lights I put in then ran a splitter over to the other side of the car and use the other wire in the back of receptacle to ground to the body of the car. And they work perfectly every time since hope this helps.



