Friday, August 23rd, 2024 AT 8:30 PM
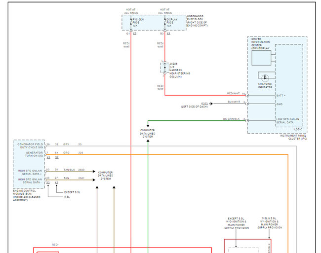
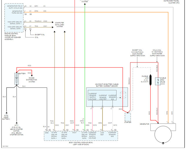
Check battery charging system message and then battery saver active message. Battery light is on solid. Car starts chiming then the ABS light, the traction control light comes on and then the vehicle shuts off. Replaced the alternator and the battery had them both tested 2 times and battery was fully charged. Drove the car for about 4 miles and then the messages started again and then it shut off. But the interior lights come on when you open the door, and the odometer shows the milage, but it won't start.





