Monday, July 22nd, 2024 AT 11:11 PM
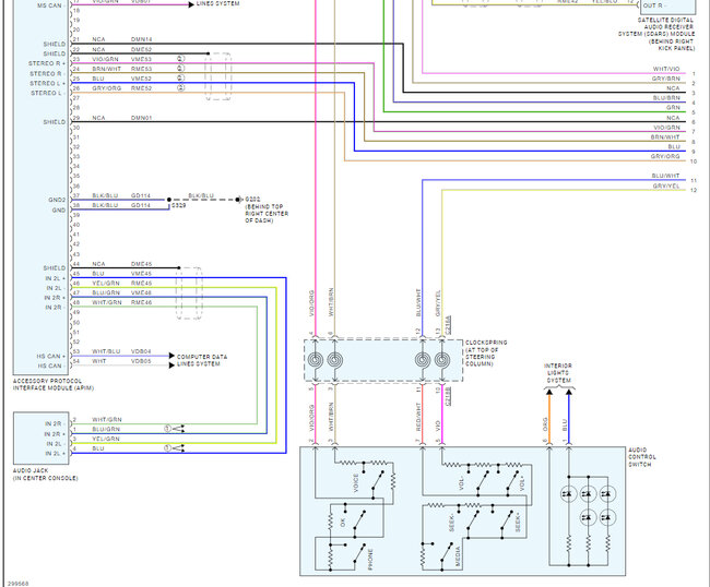
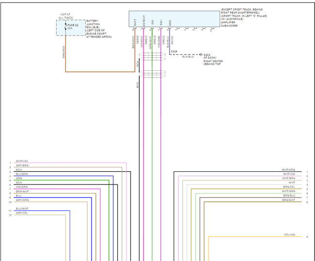
Figured it was worth trying? My friend has a 2009 Eddie Bauer Explorer. Trying to sell it. The factory head unit was shot, so we grabbed an old alpine head unit. Model CDE-SXM145BT. We got the harnesses tied up. Everything looks good. Powers on. No sound. At all. Bluetooth. Aux. Am. Fm. I've read several forums and apparently it's a standard issue. But the fixes range. Wildly. Any magic you can share would be greatly appreciated!






