Thursday, June 11th, 2020 AT 11:03 PM
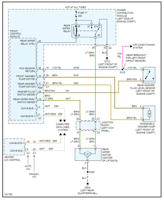
So I recently had the vehicle stolen got it back. The temperature control was like messed with probably from the dope head that stole it, but I bought a new cluster with the rear window wiper motor, switch thermostat from hot to cold and the 3 turn nobs for fan speed which actuator of legs head or body etc. Changed that out still nothing. Checked all fuses and relays that’s I know of next going to change resistor. I do not know I’m lost. Please help.

