Monday, April 15th, 2024 AT 12:17 AM
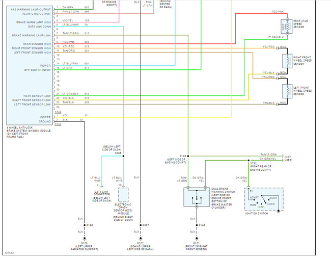
My ABS light stays on. So far I have done the following to my van. Replaced the tone ring, replaced the front disc brake pads on both sides, Replaced the front shocks /struts both sides. Check to see if there was enough brake fluid in there. I have bought a replacement connector that goes on top of the axle that connects the ABS sensor to the rear (picture of it below). But I cannot for the life of me to get anybody to replace this part for me for some strange reason. Well that's all I can remember that I have done to it so far. So far I haven't checked to see if the ball bearings are bad, because I don't have a working jack at the moment.









