Thursday, August 18th, 2022 AT 5:09 AM
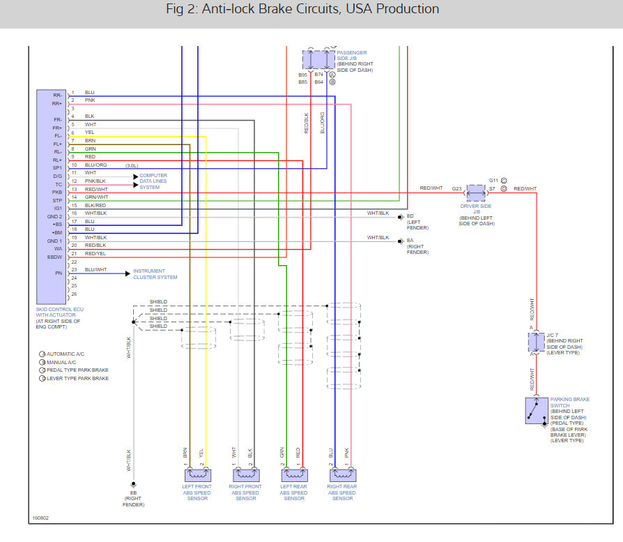
Replaced right rear wheel bearing with ABS sensor. Thought it would fix it because female electrical connection was rotted. Did not. My mechanic hooked up his analyzer and its reading open circuit right rear, the bearing I replaced. I checked bearing for voltage. It's working, checked wire for continuity, its fine. Is there an ABS anti-skid module for this car? Looked under dash and didn't see one. Shows one online in pics.

























