Thursday, December 29th, 2022 AT 4:37 PM
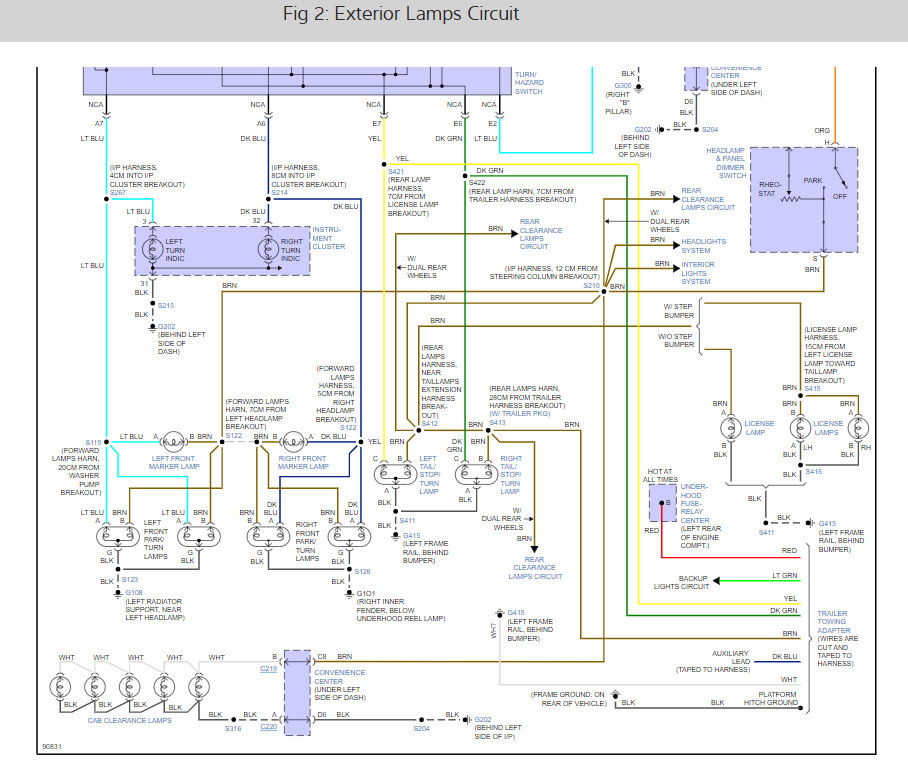
Inherited a vehicle from dad after he passed away. It has no lights in the rear whatsoever. Brake light switch been replaced, light panels for light assembly been replaced, 3rd brake light works tracked wires. Located wires to fuse box under hood which connects to brake lamp relay in fuse box 2 wires under relay port are cut sand not connected which is causing me to have no lights or power to rear taillights. One wire is a solid white wire, and a black wire comes out of fuse box both are not connected. Cannot locate where or what they connect to. Any advice and help would be greatly accepted. I just want to get truck lights working to be able drive father's truck again and take it and him for a ride. Oh, before posting issues are with my 1997 GMC suburban 5.7L C/K2500 series. Brother had let someone didn't know what was doing mess with wiring for lights and guy replaced whole fuse box junction under hood with the relays and that is where my issue is wires not connected. All searching and reading is saying it's with the white wire not connected just no clue where it goes to cannot see any wires disconnected like it anywhere in area of fuse box. Any idea where I have to connect wires to let me know.













