Sunday, February 25th, 2018 AT 9:21 PM
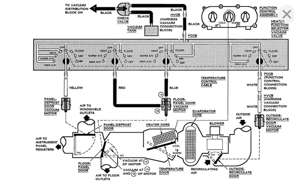
As in the subject line, I have the car listed above with a v4 Foxbody hatchback, I just purchased. A/C runs ice cold to the floor boards and the defrost vent when on max A/C setting and has some blockage somewhere in the line that is preventing it from coming out of my vents. Looking everywhere for a diagram for the vacuum lines for the A/C ab everything is coming up dry for me. Could you help me out with a step-by-step or how I can go about repairing this issue?
