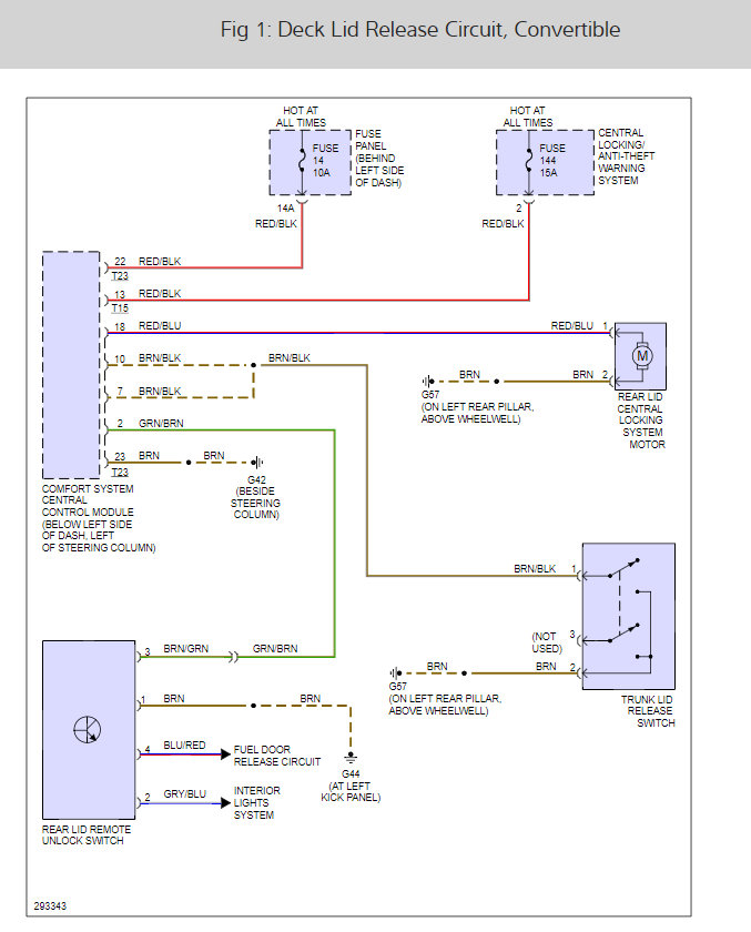
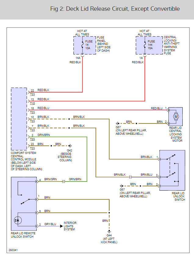
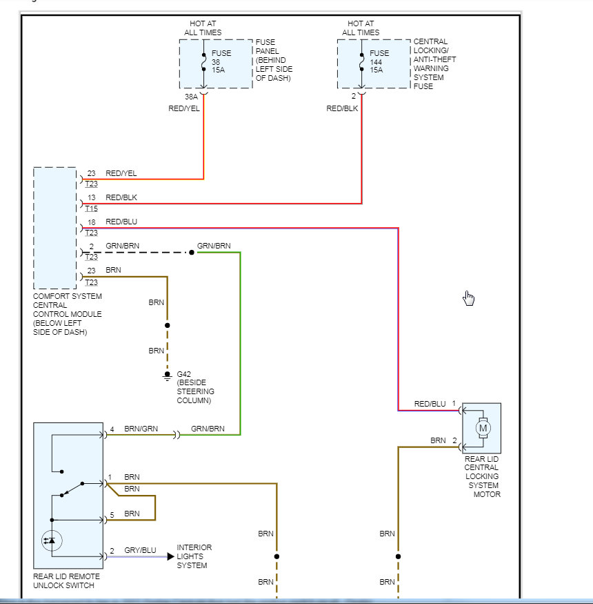
VIN # 3VWFD7AT8IM718973. VW dealership decided for whatever reason to not include it in the owner's manual. I called the dealership to ask for a print out but they refused to give to me. I have searched all over the internet with no luck at all. I' am hoping somebody here can?
Thank you.
Tuesday, November 10th, 2020 AT 8:02 PM





































































