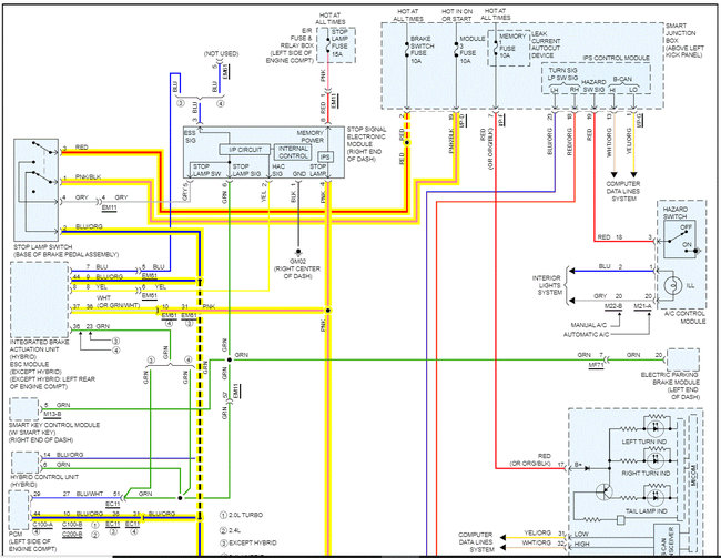
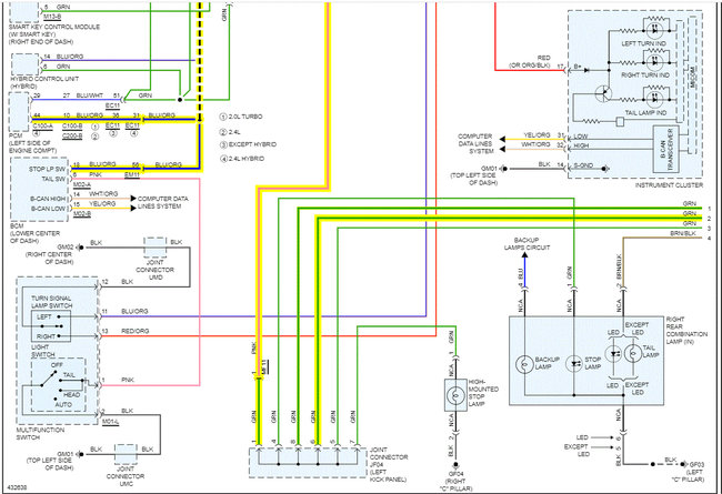
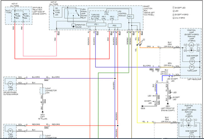
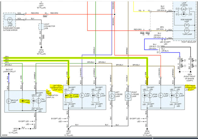
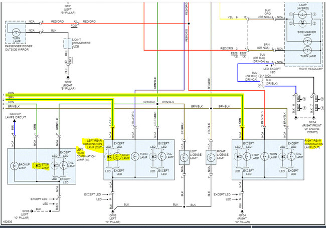
All the rear bulbs are working as I tested all of them (turning nighttime lights
on, turning on hazards, etc.). But the side rear lights do not illuminate more
when I press the brakes.
i checked the fuses, they're all fine. I also replaced the brake switch and still get the same results the harness connection where the bulbs go in are not corroded either I don't know where else to look I checked with a meter and I'm still getting power.
Any tips would be helpful. Thank you for the time.
Thursday, January 6th, 2022 AT 1:41 PM





