Thursday, April 6th, 2023 AT 12:09 PM
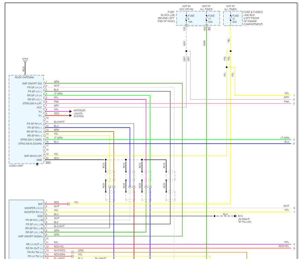
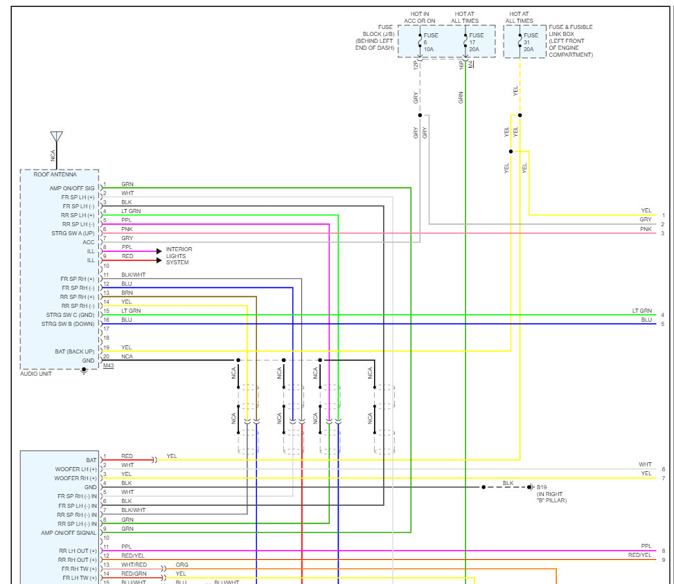
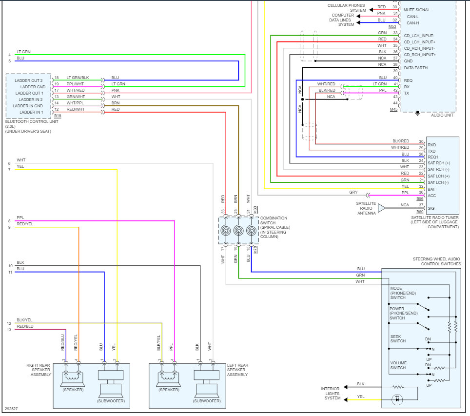
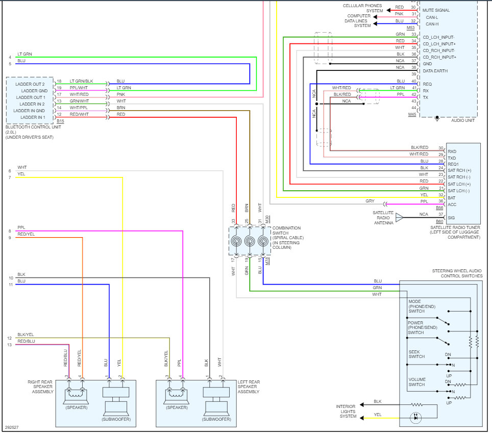
My son had a starter replaced at a Nissan Dealership and the radio will not turn on. I need to know where the fuses are for the radio, as I understand there are three or four of them that control the power to the radio. Thanks.







