After the mechanic put it on, I found the wiring connectors are different, 2007 has connectors from both left and right side, 2005 only has right side. Even on the right side, they use different shape connector.
without hooking up the wires, I started the van, it got the following symptoms:
1. The instrument cluster lights up, but then goes off after 15 seconds.
2. Navi works, windows does not work.
3. Cannot take it out of park. The shifter is locked. I did manual unlock the shifter and it goes into gear.
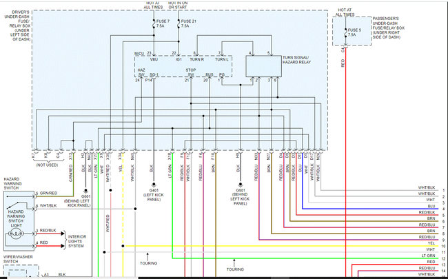
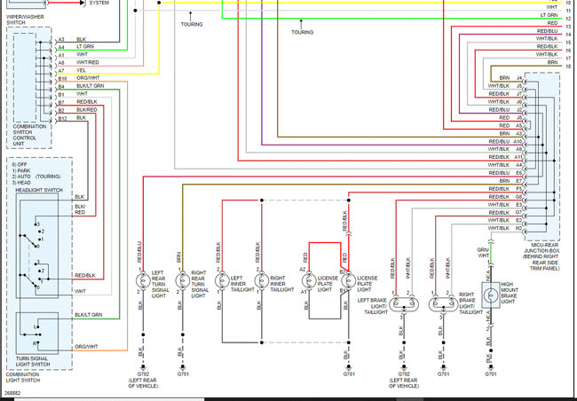
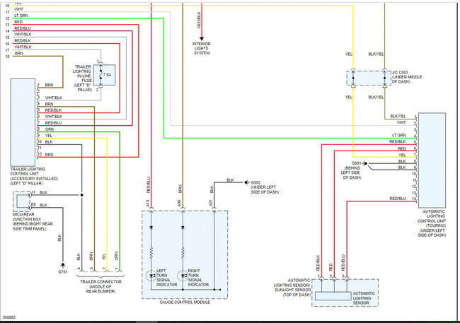
4. Blinkers/tail light do not work. Brake lights and headlights work.
5. Windshield wipers do not work.
Then I thought it was the wiring issue, so I connected the right side wires, just cut the connector and connect by color matching. Also I found one broken wire in the trunk, that my handy man broke when he tried to hummer the dent back. I reconnected it and hope this would solve the issue. But still the same issue.
When the mechanic put on the 2005 gate, the car was running wasn't shut off, and also he hammered the trunk back to shape, so there were tons of shocks and vibrations on the body, and the hammer broke one wire on the truck body, and the wire probably touched the metal, so potential short there.
All fuses are intact. Is it because of the open circuit from left connectors? Are they just backup camera wires?
I heard some car would check the entire circuit are closed before it can put on gear, not sure if this is the case.
Thanks in advance!
Sunday, May 2nd, 2021 AT 1:44 PM




