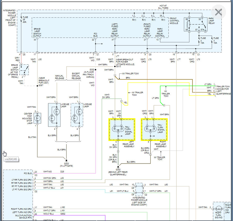
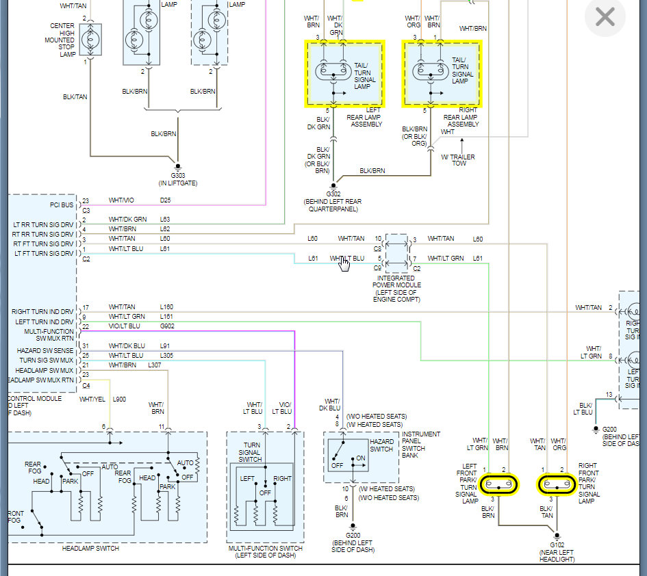
Using a 12 volt tester, it indicated there was no power to either 15 amp fuses for the lights.
I took 2 14 gage wires, put the 2 ends of one side and put them together, touched this end to the positive side of the battery, and the 2 ends of the other side of
the wires, I touched one to one side of the fuse and the other end to the other side of the fuse. The lights worked.
Other than this I'm at a loss.
Hope you can help as no one else I've spoken to about this has been to no avail. I'm skeptical about taking it to a dealer. If I knew what the problem was I know I could do the repairs
Hope you have a solution.
Thank you,
Rusty
Sunday, January 25th, 2015 AT 8:51 AM






