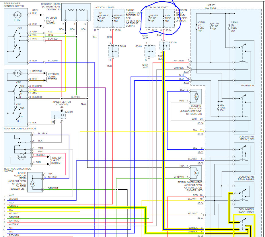
Wednesday, September 12th, 2018 AT 7:35 AM
My van's AC was working fine and it was really cold. But one day and I left the van/air running until I ran into the store and when I came back out it was blowing hot, and has been blowing hot ever since. Does anyone know what might have caused this?





