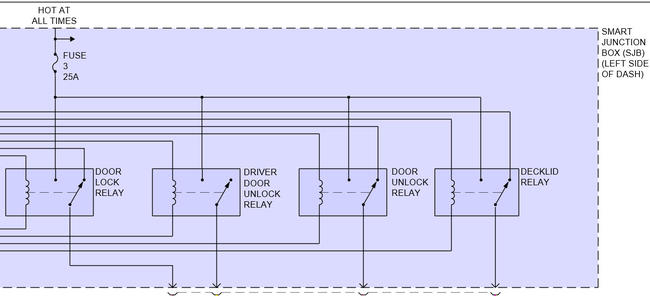
i returned to the van, using my key, we drove home. When we got out the power locks stopped working properly. Only the drivers side was working, the rear power doors would not lock/unlock or open and close, the rear hatch-same thing, passenger door-nothing.
Did she do something? Or was this just a coincidence, since we have never turned the key downward before, and have never had any issue with the locks prior to this.
Could it be a fuse, or do I need to reset something?
P.S. I turned the key downward a second time and I got the power doors to open and close but they still don't lock/unlock. I tried this a few more times to see if the locks would work and nothing. Don't know if that means anything.
Monday, September 14th, 2015 AT 9:32 AM

