Monday, November 28th, 2022 AT 9:04 AM
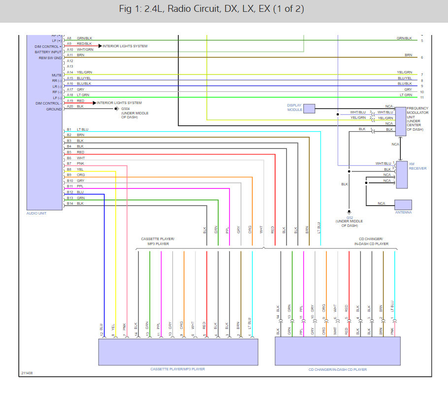
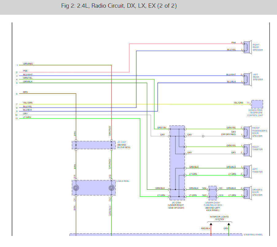
The radio in my car listed above LX, began having problems about a year ago by turning off and on while driving, making noise in the CD area, etc. And eventually stopped working altogether. A few months later it needed to be jump-started occasionally and we discovered the fuse for the radio was draining the battery. After investigating online, it appeared this problem has been reported by many Honda owners and the general consensus was that adding a new aftermarket radio fixed the problem. Technical staff at Crutchfield confirmed that should fix the issue. Had a new radio installed and the problem still exists. A multimeter shows a battery draw of about 400 milliamps with the fuse plugged in and the draw is almost at 0 with the fuse pulled out. If the car is driven regularly in warm weather, there is no problem starting it. However, now that cold weather has set in, the car will not start after about 8 hours of being outside. The car's alternator and starter have been tested and confirmed ok and the car has a new battery. I am ready to sell the car and need to fix this problem prior to selling so I am wondering what the repair/workaround options might be. I don't want to invest too much in repair cost but want to know what options might be available. It would be ideal to fix the electrical issue completely, but I don't know what the potential cost would be and if it would be worth it. Is it possible to add an on/off switch to a specific fuse? Are there other ways to handle this? Thanks much!




