Tuesday, January 3rd, 2012 AT 5:46 PM
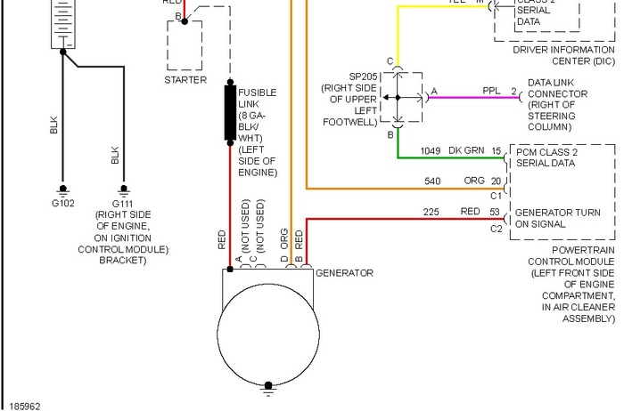
Yesterday I went to my 04 pontiac grand prix gtp and when I started it took a minute start and all the lights in the car went crazy. My display told me charging system failure. It has done this before on my wife and me both but it always went away. So I let my car warm up before I left for work and when I went to leave again it wouldnt start. My boss jumped me and I let the car run for like 30 min and then turned it off again. It started right up when itried agin but still is telling me charging system failure. When I went to start my car this morning I couldnt even unlock the doors with the remote. So I took it to Advanced Auto Parts and they said my battery was good it just needed a charge. I am charging the battery but I dont know what is going on?



