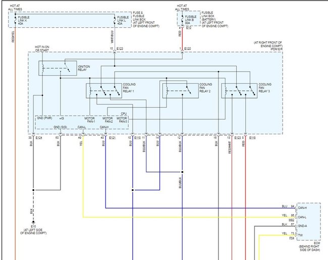
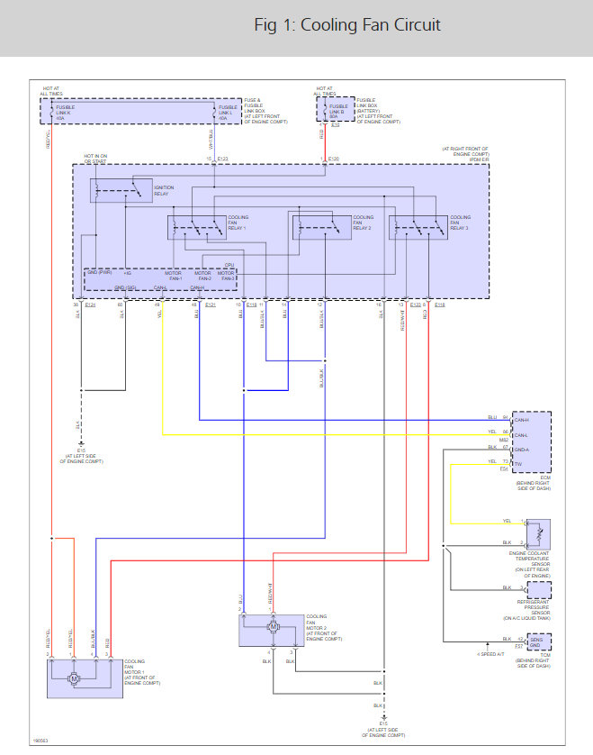
The car started overheating at idle and the A/C started blowing warm air at idle also. I found that BOTH radiator/ac fans are not working. My local Nissan dealership suggested that the fan assembly could be bad but I find it hard to believe that BOTH fan motors went bad at the same time. I started thinking the problem could be a fuse or relay.
I looked up a diagram and I found that there are 3 cooling fan relays. Why are there 3 relays to only 2 fans? Whats the 3rd relay for? Do you think this is the likely problem? I'd figured i'd start with the relay since it is the easiest.
thanks for your help!
Friday, September 7th, 2012 AT 2:19 PM









