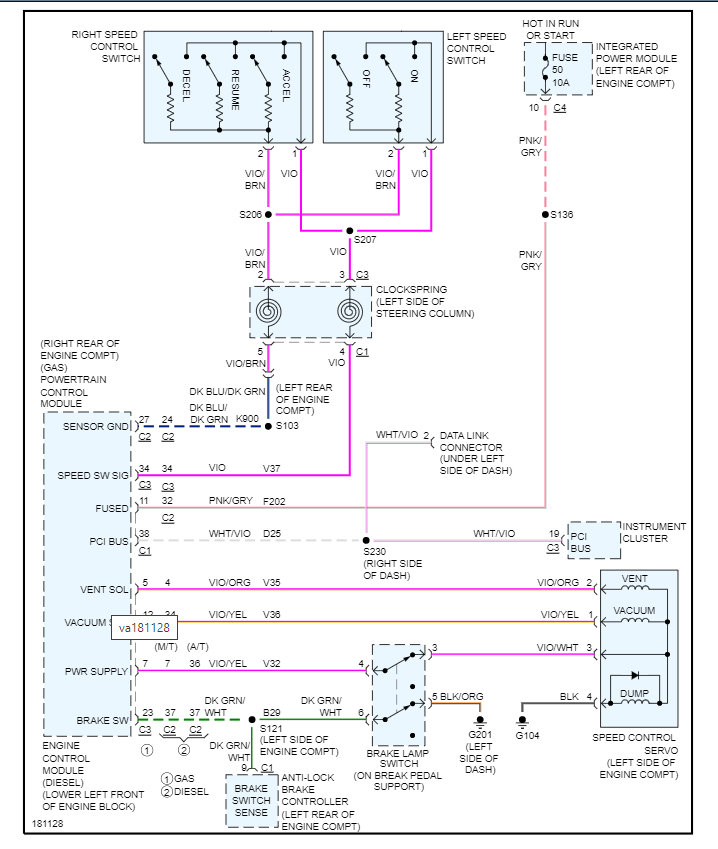
Saturday, November 9th, 2013 AT 4:59 PM
After we start the truck the cruise will engage the first time but will only work until the truck motor works a little up a hill etc and then kicks out. Then the cruise wont work anymore until we shut the motor off and then the whole process above repeats itself. The motor is 5.9 diesel.


