Monday, June 25th, 2012 AT 12:46 AM
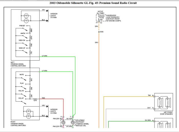
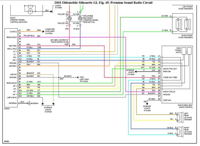
OEM dvd player does not work and needs to be replaced. Gm part no 10328932 ASM DVD player. If no replacement is there a wiring guide for the 24 pin plug for this dvd player so I can set up a plug for a new player. This vehicle has onstar, overhead screen, in dash dvd player, wireless headphones, dvd remote. Thanks, steven









