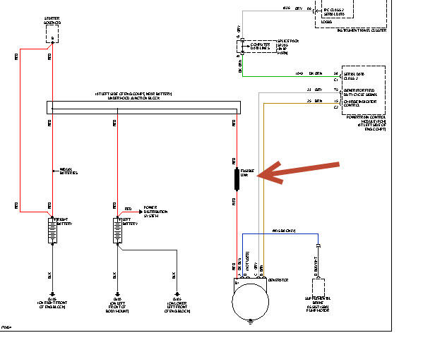
I figured the battery was due to die, so I took it out and took it to a parts store to be tested. Test said it was bad so I bought a new one and popped it in.
Truck started right up, but something clearly was not right. The Voltmeter was pegged all the way to the right, and the truck would barely stay running at idle - dash lights would dim, etc. At this point I was convinced the alternator had died.
Got the vehicle home, took the alternator out and took it to a parts store to be tested. Much to my surprise, it passed.
Did not trust the test result, so I took it to a different parts store a couple of blocks away. They tested it twice, and it passed both times.
Any have any ideas?
Monday, July 22nd, 2013 AT 6:44 PM

