Tuesday, July 23rd, 2013 AT 9:29 AM
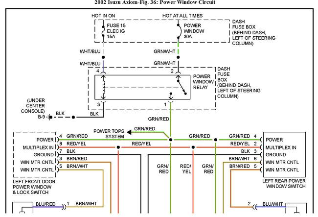
I have a 2002 Isuzu Axiom. I'm having 2 problems and I'm not sure if they are related. 1. My door locks for every door except the drivers door will not lock or unlock using the remote or the locking switch on the door panel. I think this my be a module problem can you confirm this also is the module located under the window buttons on the door panel and would a faulty one make the drivers side window hesitate when going up to the closed position. 2. What would cause my windshield wipers not return to the park position?





