2001 Nissan Xterra A/C pressure switch not work

2001 NISSAN XTERRA
Avatar
VICAUTO2
  • MEMBER
  • 41 POSTS
Air Conditioning problem
2001 Nissan Xterra 6 cyl Two Wheel Drive Automatic 79.500 miles

Hi , I have Nissan Xtera 2001 , V6 cyc , 79,500 .
I have problem with AC , Ac clutch did not recieved power and It did not engaged . I hooked up AC manifold gage , It has full freon charged ,
I Jumped wire form battery to AC cmpressor , the AC clutch engaged to compressor , and get cold air , I connected the plug back , and stil keeping Ac on , I checked the AC pressor switch at the top of the drier , there are no voltage , and If I Jumped negative from battery to the plug , the AC work right away . It tell me that , Ac plug did not recieved ground sinal from AC relay . I checked all relay all them worked and have power in very socket . and checked all the fuse in side the SUV and engine compartment specially more on AC fuse , But all them OK ,
I need complete AC wire daigram and also please, some one tell me how to test ac pressor switch , and thermostatic switch/ relay .
Right now , there are no ground sinal from ac relay to pressor switch on the top of the Drier , If I jumped negative from bettery to the plug of ac pressor switch , the Ac clucth engaged to ac compressor right away .
Please, some one tell me what to do with this , the Freon is full charged , no leak , terminated low freon
Any helps will great , Thank you in advance
Oct 18, 2010 at 6:03 PM
Advertisement
Avatar
KHLOW2008
  • CERTIFIED EXPERT
  • 41,814 POSTS
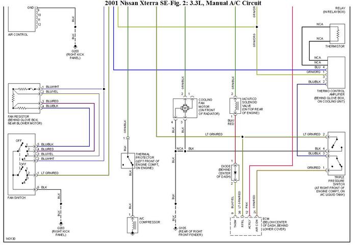
Hi vicauto2, Thank you for the donation. Here are the diagrams for the A/C circuit.


https://www.2carpros.com/forum/automotive_pictures/192750_ACCircuit01Xterra6cylFig02a_1.jpg


https://www.2carpros.com/forum/automotive_pictures/192750_ACCircuit01Xterra6cylFig02b_1.jpg

The A/C relay is controlled by a ground from the ECM and if the relay is not working, the ECM gound circuit is bad. You mentioned applying battery voltage to the pressure switch, which wire did you use? TRIPLE-PRESSURE SWITCH 3.3L Engine Disconnect triple-pressure switch connector. Using ohmmeter, check continuity between triple-pressure switch terminals. See TRIPLE-PRESSURE SWITCH table. Replace switch as necessary.


https://www.2carpros.com/forum/automotive_pictures/192750_ACCircuit01Xterra6cylFig02c_1.jpg

Oct 19, 2010 at 7:39 AM
Avatar
VICAUTO2
  • MEMBER
  • 41 POSTS
Hi , KH , Thank you for your helps and quick responding . I've got your diagram AC circuit , But I could not read it , because it is too tiny to read , I used several magnified glass , still could not read , It's very good if you send me darkend and bigger line very helpfull .
I'm working at day time and got home about 5:30 PM , not much time left , I'm tried to check them as your instruction , but It get dark very quick and a lot of moscitoes on my backyard , I 'll do more on saturday and sunday .
By the way I checked all the ralay they worked applied power to it clicked .
As your question , I jumped from negative bettery to one of teminal AC pressure switch , I'm not sure what number it is . But it's negative , not positive , Then the AC clutch engaged to AC compressuror .
Do you have the draws ECM to AC clutch ralay, and instruction how to test it ,
Some thing is around ECM , AC realy , and AC clutdh switch . When EMC send ON sinal to AC relay ,Then AC relay send sinal to AC switch , Then AC switch send sinal to engaged the AC clutch ON and OFF depend how tempature setting .
I'm going to dealer buy new AC swicth on saturday , not sure If it is correct problem .
If you have better print on diagram , It will be very helpfull , Thank you very much
Oct 19, 2010 at 7:04 PM
Advertisement
Avatar
KHLOW2008
  • CERTIFIED EXPERT
  • 41,814 POSTS
I did send the AC circuit in pdf format to you.

Check your mail.

Go through them to understand the circuit and let me know how it goes. For pdf files, you can enlarge the diagram.

When performing test, you must note the wire color. That is important to understand the situation.
Oct 20, 2010 at 7:12 AM
Avatar
VICAUTO2
  • MEMBER
  • 41 POSTS
Hi , Thank you KH , I have a Haynes manual , It is almost the same diagram you gave it to me , I will try and let you know latter , Thank you
Oct 22, 2010 at 3:46 AM
Avatar
KHLOW2008
  • CERTIFIED EXPERT
  • 41,814 POSTS
You're welcome.

One way of checking if it is the PCM that is at fault, ground the Pink wire ( terminal #2) of the A/C clutch relay and if compressor comes on, the PCM or the pink wire from relay to PCM is open.
Oct 22, 2010 at 8:47 AM
Avatar
VICAUTO2
  • MEMBER
  • 41 POSTS
Hi KHLow !
I checked some thing on sunday , But I haven't checked Pink wire , Because after late evening I eccessed your webside see your replying . I will check it again .
I replaced themistor . but not work , I found some thing on thermistor connector , when engine on and AC on , Green/red have 14.5 voltage , blue is not ground sinal , and black/blue have not voltage . The 3 wire of thermistor connector , as the green/red should have voltage from fuse # 29 7.5 A . and blue should have ground sinal from ECM , and blue/blk should have 4.5 voltage from ECM , that will close AC relay . They missed two part to send sinal to close AC relay . I Checked AC relay socket pin 5 and pin 7 have 12.7 voltage all the time and pin 1 and 3 is ground , and 2 and 6 is not thing . If I jumpering wire from pin 1 or 3 to triple pressure switch ( which is on the top of drier) the AC clucth kicked in AC compressor .
When AC on/off switch on dash is ON , It send 12.7 voltage to thermistor on green/red wire , and ground sinal from ECM on blue wire , and 4.5 voltage on blue/blk wire close AC relay . But last two items is missed the ground sinal and 4.5 voltage .
I tried to remove AC on/off swicth on the dash ,but it is very hard to remove , because the Cold and Hot switch , They build two cable one goes around on each side of AC mode stuff. If it is bad I have to tear every thing a part . It is very paintfull poor engineer desire .
By the way i'm going to check Pin wire , see you later . Thank you
Oct 24, 2010 at 7:05 PM
Avatar
KHLOW2008
  • CERTIFIED EXPERT
  • 41,814 POSTS
I did some research and came across additional information that could help in rectifying the problem.

The symptoms and missing ground that you described indicates the thermistor(thermo control amplifier) is bad and replacing it should solve the problem. Seems there are many such cases reported.
Oct 25, 2010 at 8:00 AM
Avatar
VICAUTO2
  • MEMBER
  • 41 POSTS
Hi KHLow2008 .
The pboblem solved , after new on ,off AC switch installed , there was 4.5 volt presented on blue/blk wire , and AC clutch engaged right away when AC tunrned ON , I still kept to try ON , Off all the rest off day , It still work fine .
Once gain Thank you KHLow and 2carpros support teams , See you around .
Oct 31, 2010 at 4:29 PM
Avatar
KHLOW2008
  • CERTIFIED EXPERT
  • 41,814 POSTS
You're welcome and glad to know you have fixed the problem.

Thank you for using 2carpros and have a nice day.
Nov 1, 2010 at 7:41 AM
Avatar
DRAGO2184
  • MEMBER
  • 3 POSTS
I am having a similar issue with my a/c on the same vehicle and was wondering if I could have the wiring diagram sent to me?
Oct 11, 2011 at 6:18 PM
Avatar
KHLOW2008
  • CERTIFIED EXPERT
  • 41,814 POSTS
Sorry for the delay in replying. Did not get any notification due to some problem with my internet connections last week.

Is your model the same year?

Oct 18, 2011 at 2:18 PM
Avatar
DRAGO2184
  • MEMBER
  • 3 POSTS
yes it is
Oct 18, 2011 at 2:20 PM
Avatar
KHLOW2008
  • CERTIFIED EXPERT
  • 41,814 POSTS
I have the diagrams here. Click on them to enlarge and if still not good, you would have to provide me with your email.
Oct 18, 2011 at 2:40 PM
Avatar
DRAGO2184
  • MEMBER
  • 3 POSTS
Please go ahead and email them to me. My email is whitedragon609@gmail.com Thanks
Oct 18, 2011 at 2:55 PM
Avatar
KHLOW2008
  • CERTIFIED EXPERT
  • 41,814 POSTS
Check your mail
Oct 18, 2011 at 5:31 PM