Sunday, October 27th, 2013 AT 4:13 PM
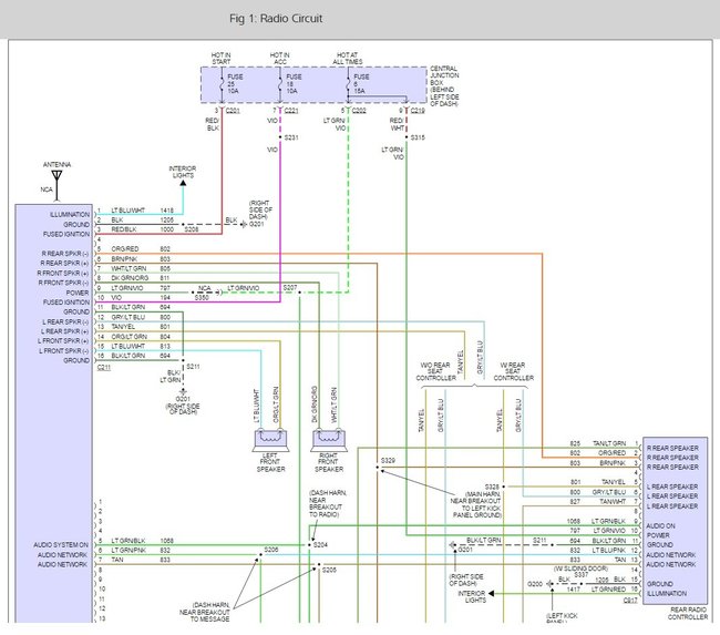
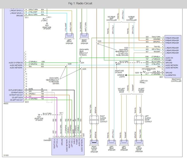
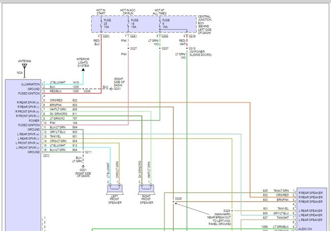
One day my radio stopped working, I checked all the fuses and everything is good. I used my multimeter and there is power through the battery line and the ignition wire. There is a red indicator light on the radio that blinks but the radio does not power on. I tried three different decks and all three do the same thing. I tried the stock radio and still no power. I am stumped as to the problem. Like I said all fuses are good and according to my multimeter there is power. I checked the wiring, that is solid.





