Saturday, September 2nd, 2006 AT 10:14 PM
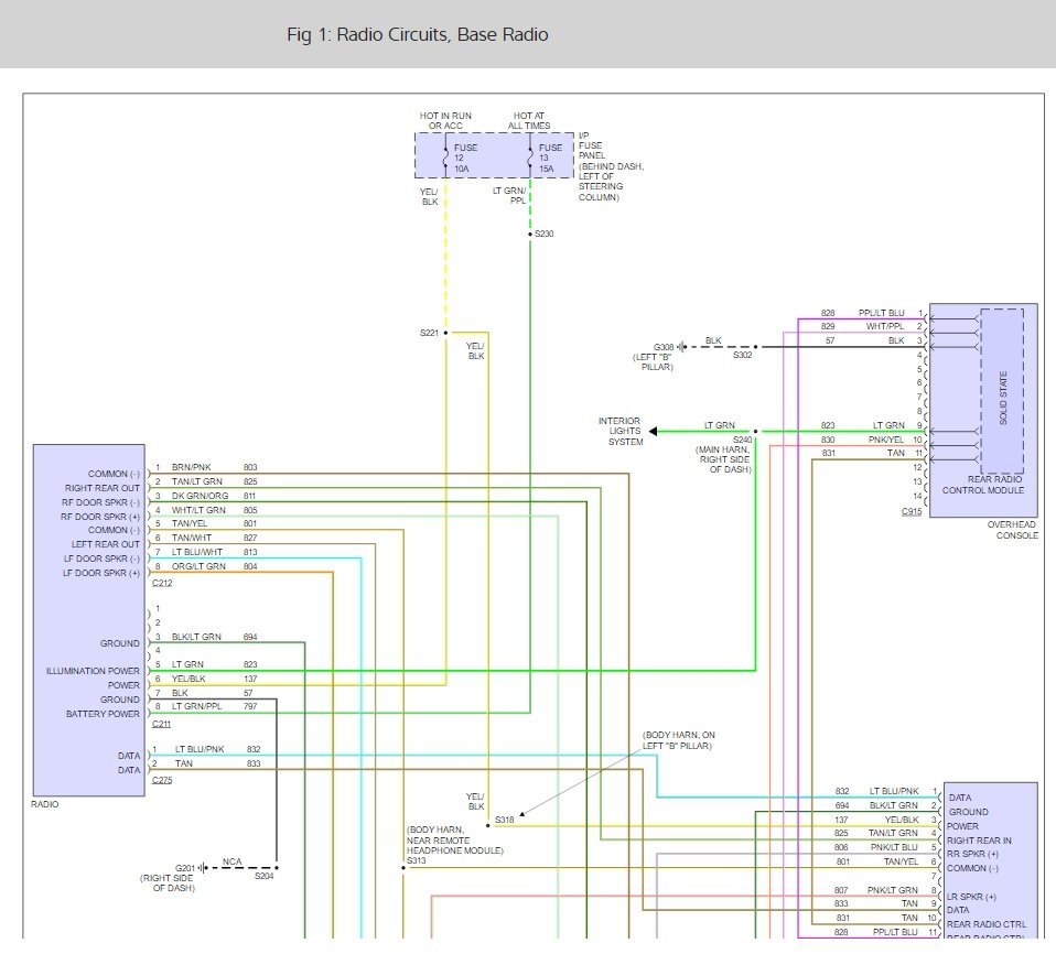
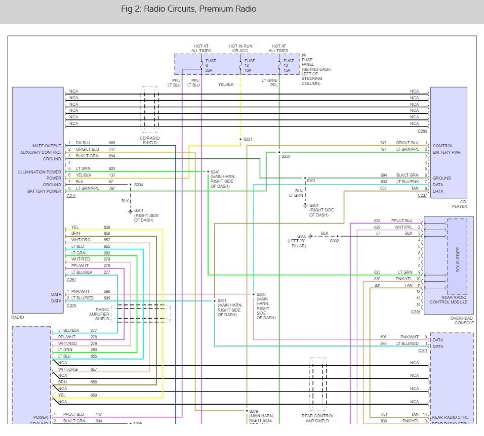
I need a wiring diagram for the stereo. I have no idea what colors go to what. I have a 1998 ford windstar, 6 cylinder, front wheel drive.





