Tuesday, December 21st, 2010 AT 3:55 PM
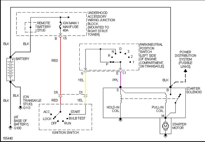
1998 pontiac grand prix, will not turn over. Have charged the battery, all electrical works but the car will not turn over. Starter makes no noise. What should I try next?


