Sunday, March 10th, 2013 AT 12:34 AM
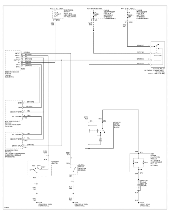
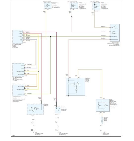
Okay this one is really bazaar. A week ago my car wouldn't start. It clicked and when I reset the key it started. The a few days later it did the same thing. Then 3 days ago my car (XJ8L) wouldn’t start at all. I called my shop that works on it and they summoned a tow truck. All I would get is a click in the area of the glove box. My mechanic pulled the starter and tried to motorize it on the bench. It wouldn't turn over so we put in a rebuilt starter. I picked up the car later that day and drove it around with no issues. The next day I had to run some errands. I made three quick stops and then went to the grocery store. Up till now the car started every time. I spent one hour in the store came out and it would only click. Had to have a tow to the shop again. The shop was closed so it sat over night. The next morning the mechanic, and I thinking it was a relay, was going to work on it and it started right up. He spent 4 hours trying to make it malfunction so he could diagnose the problem. We even moved the relays around thinking if it was a relay we would put the relay in the air conditioning place and move that one to the starter place. 4 to 5 attempts in 4 hours and every time it starts. Even when I picked it up it fired right up. So I pick it up at 12:30 and drive home. 2 hours later I go out and it will only click. Called the mechanic and we decide to reset the computer by disconnecting the positive lead. After 10 minutes I connected the lead and the car starts. I even shut it off and it fired right up. Here is where the bazaar part comes in. I let the car set for about a half an hour after it started and I try to start it and it just clicks again. I disconnect the positive lead and let it set for 10 minutes like before and now it will not start. Just clicks. I have jiggled the shift lever in hopes it might be the neutral safety switch but that doesn't do anything. Any Ideas?




