Monday, November 19th, 2012 AT 12:52 AM
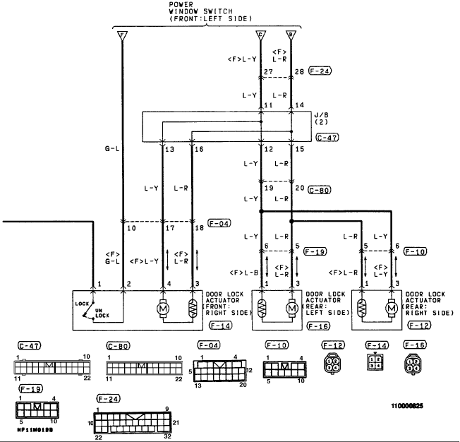
I am trying to hook up a USAFFC RS625 keyless entry. I need to know what color and where the wires are. I beleve the wires are in the drivers side foot well behind the fuse box. As far as I know I only need the +12v, -500mA lock, -500mA unlock. And I will ground it to the frame.
