died out while siting at idle after replacing f/p 2 mo. Prior.
ordered new pump and installed, no start. Replaced pump due to running for a breif few seconds and then not at all.
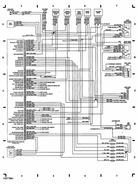
got another pump!@#W$$^#%, plugged into connector and ran for a few seconds, same result. Tested for power at f/p connector, none present except for level sender. Ohmed crank sensor, excessive, replaced, still no power, rechecked new sensor, no resistance. 8 volts to sensor. Swapped relays around. Nada. Jumpered fuel pump at relay, wal la! Power at fuel pump builds 42psi, No Start. Still unable to get power w/o jumper, Cycled door switch to deactivate security even though no security light flashing. No CEL comes on cluster?
Thanks jared
Thursday, July 7th, 2011 AT 7:36 PM



