Saturday, December 10th, 2011 AT 7:49 PM
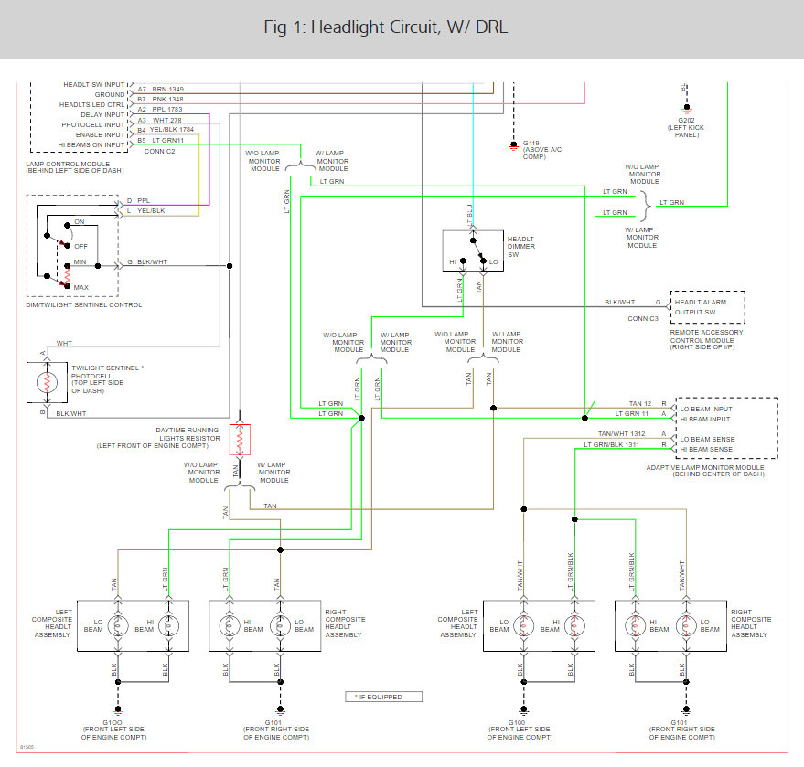
After I park the car, I turn the headlights off and shut the car off. After it has been parked for awhile the headlights will turn back on by themselves and stay on until the battery dies. You also have to push the headlight button slowly or only the gauge lights will turn off and the headlights will stay on.



