Sunday, January 6th, 2013 AT 1:15 AM
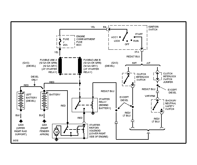
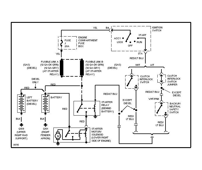
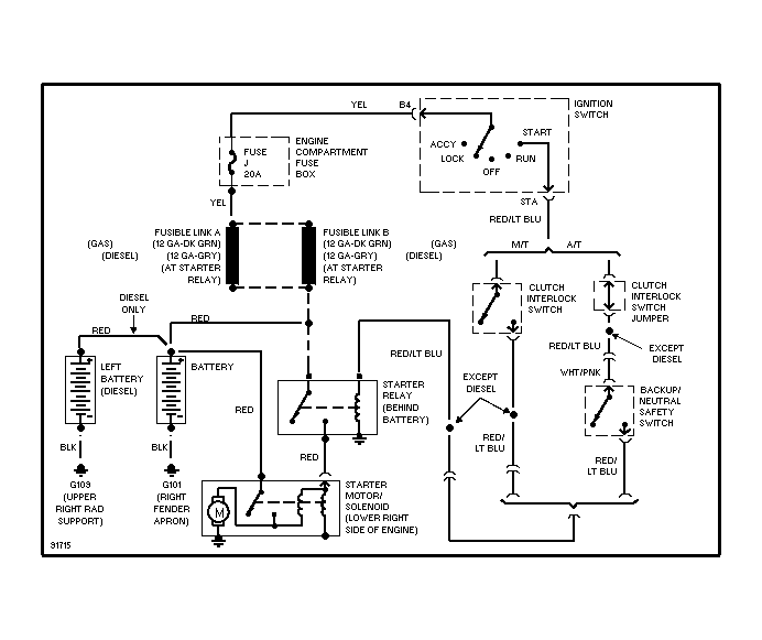
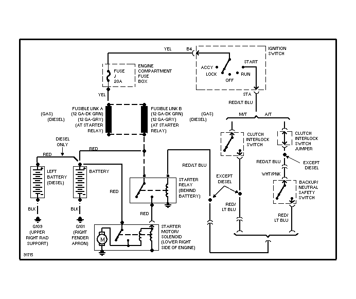
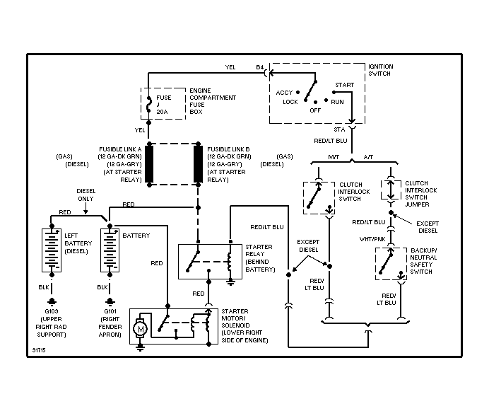
The starter will not turn over when you try to start with the key. When I jump the starter relay it starts. I have replaced the relay and just replaced the ignition swith. I get no power to the small center wire on the starter relay that comes from the ignition switch. Not sure what to check next.






