Dear Jaguar dealer
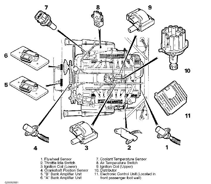
I have a jaguar car XJ-S( V12 ) model 1990, the chase no. (SAJJNAEW4BC170822), jaguar crankshaft sensor is always damage every couple of months or sometimes every three months. I would like to ask you how I could prolong the use for the said crankshaft sensor.
Please advise me. Your quick response would be highly appreciated.
Thanks & regards,
Thamer
Monday, July 8th, 2013 AT 1:35 AM



