Saturday, February 10th, 2024 AT 5:31 PM
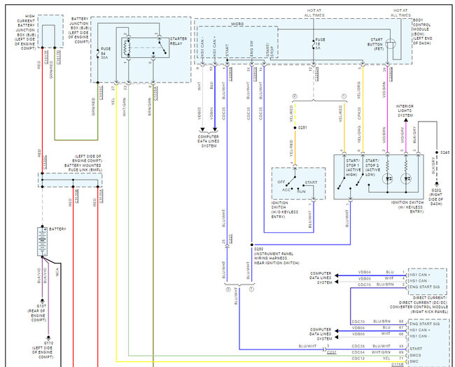
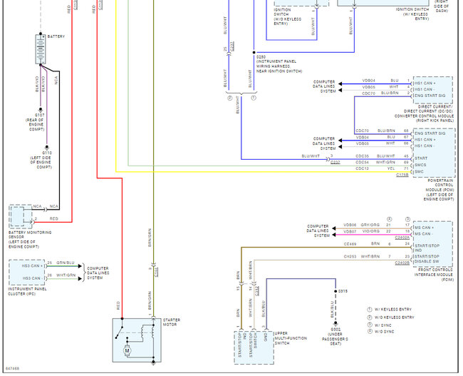
The key will turn in the ignition. The lights on the dash and everything comes on. It clicks when trying to start it. I took the battery to AutoZone and charged it and said the battery is still good. It’s still happening though. Even when we jump it now it still won’t crank over.








