Monday, May 22nd, 2017 AT 9:44 AM
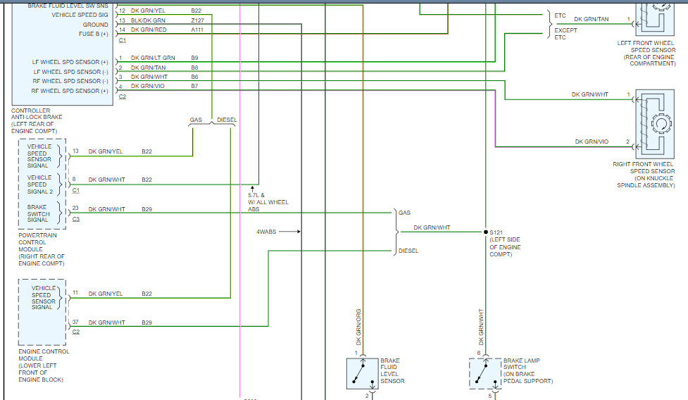
How do you unhook the wiring harness from ABS control module on my truck? It has some kind of lock on it, cannot seem to get it unhooked.











