Sunday, August 7th, 2016 AT 4:06 PM
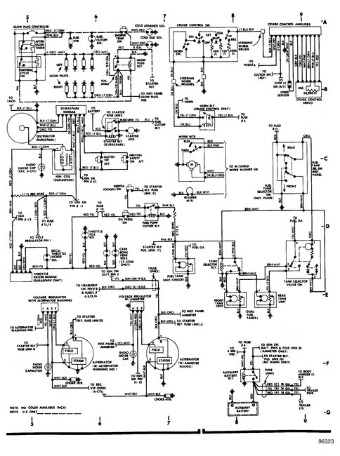
We have changed the solenoid, ignition control box, coil and entire distributor. The hot wire from the ignition control box has 12.4 volts and as soon as we hook the hot wire from the box the coil it drops to 6.8 volts and we cannot find the reason why it drops voltage. The truck wont start. The box and coil were tested and were both fine.


