I was able to wire up some seats from a Volvo XC70 but they were too tall and wide.
I found the MKS heated/ventilated seats with the power lumbar and pulled them from a salvage yard.
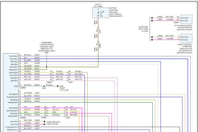
I'd seen some wire diagram posts for MKZ/MKX - is it same for MKS and any thoughts on how to wire up to a set of switches for the Heat/Ventilation and get it powered up in a different vehicle?
many thanks!
Tuesday, October 20th, 2020 AT 12:13 PM









