Monday, November 18th, 2024 AT 4:17 AM
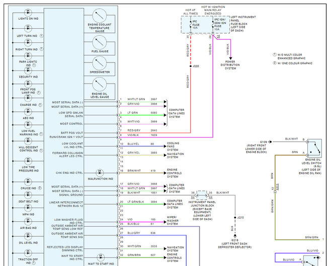
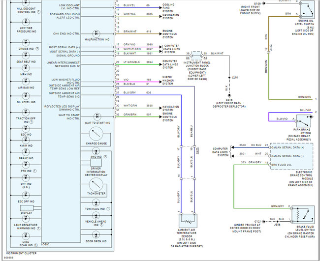
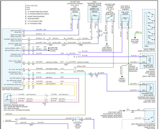
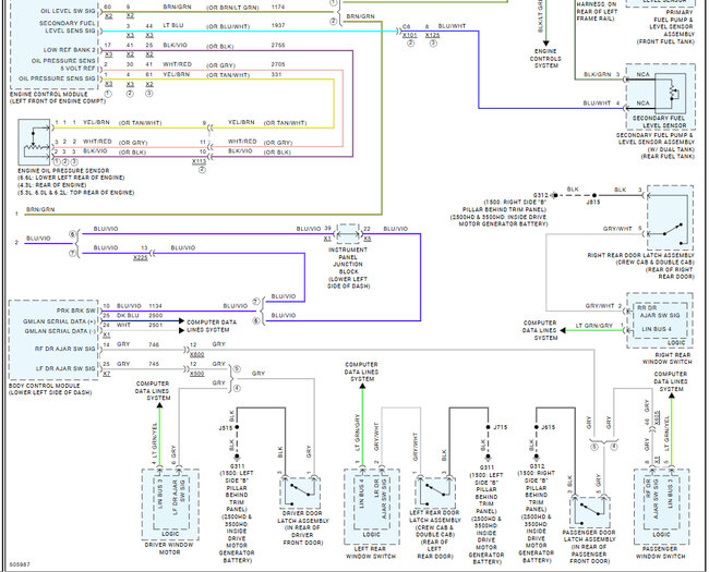
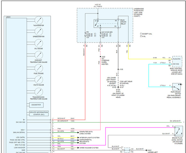
Hey guys, instrument cluster is not working. So, I am trying to find a wiring diagram/pinout on the instrument panel/cluster for the truck listed above. On the harness for the dash. Where do all of the dash plugs run to? The BCM? Do they all connect into one plug that attaches to something or each individual plug plugs into a module or fuse block?












