Thursday, August 12th, 2021 AT 1:52 PM
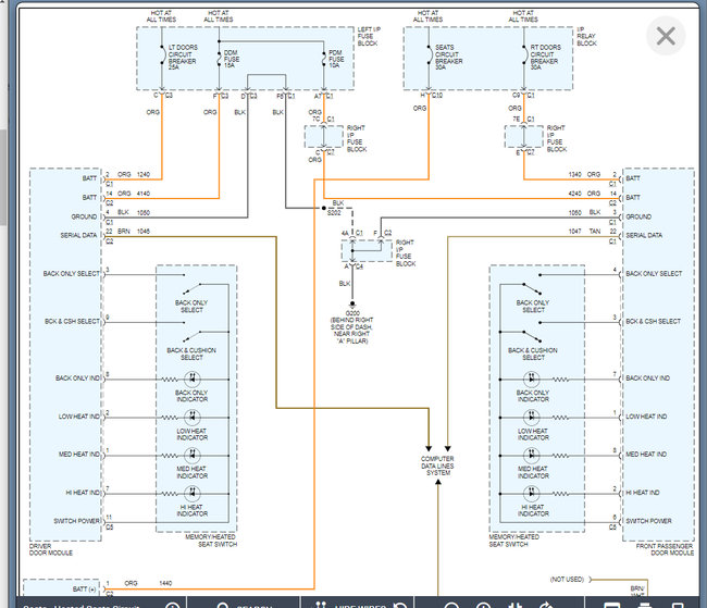
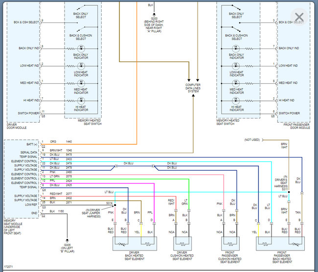
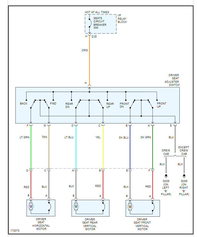
Hello, I would like to have the wiring diagram of the truck listed above LT dash. Which goes from the end of the LT door wiring harness to the dash and the complete wiring of the heated and electric seats especially I would like to have the complete wiring diagram of the dash. Thank you





