Friday, May 7th, 2021 AT 8:31 AM
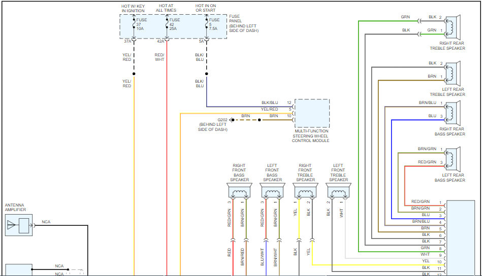
Sorry to be a bother sir, but you definitely seem to know what you're talking about. If I could possibly ask another question? I am trying to wire my stereo back up but I'm kind stuck. I have 2 wires the same color and size. They both are red with white stripes PIN number 5-7? One of them is supposed to be for the ignition and the other I'm not sure. Could you possibly help me out to fig out how to wire them back correctly so I don't short anything out or blow anything up? Lol. Thanks in advance for your time.









