Monday, January 27th, 2025 AT 4:45 AM
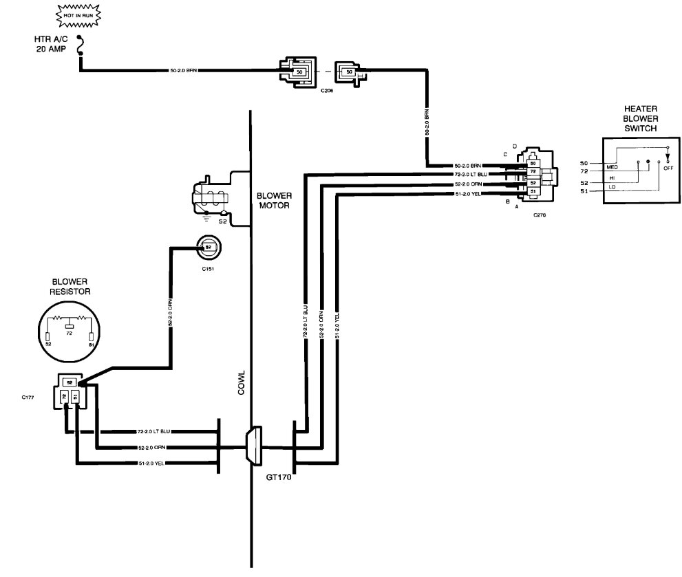
About to do an overhaul of HVAC and coolant system. Cannot find wiring diagram for blower motor or shop blow-ups of the HVAC and coolant systems. I understand it's not overly complicated in these old g20s, just hard to access. I just want the drawings in front of me when I tear into this, so I have a reference.




