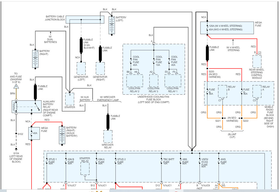
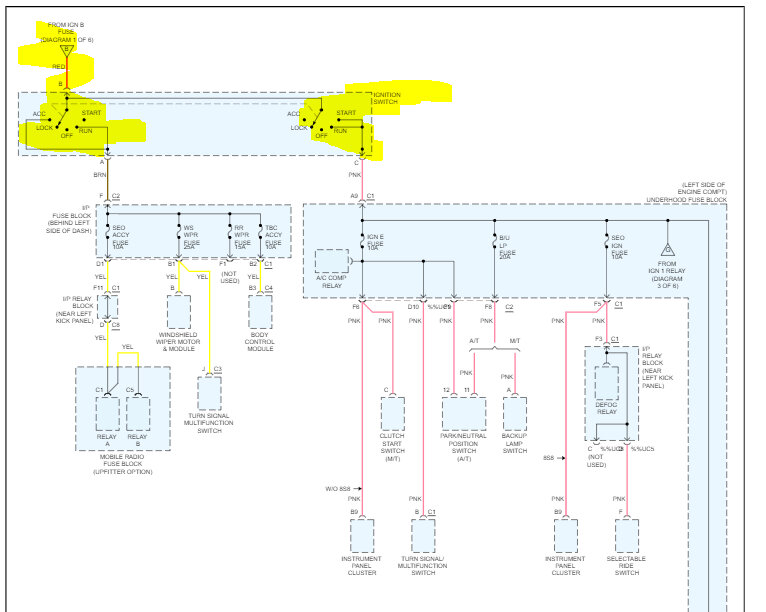
Saturday, December 10th, 2022 AT 2:23 PM
I'm having a really hard time finding the correct diagram for the ignition switch system. I’m trying to install a push start into the vehicle listed above, if anyone has the correct information retaining the diagram and correct wires to use that would be nice. Google hasn’t been any help.














