Tuesday, August 20th, 2019 AT 4:17 PM
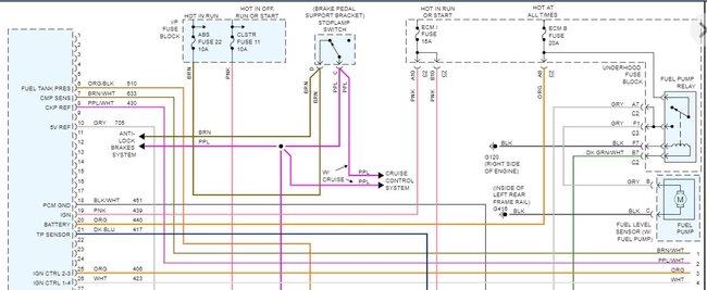
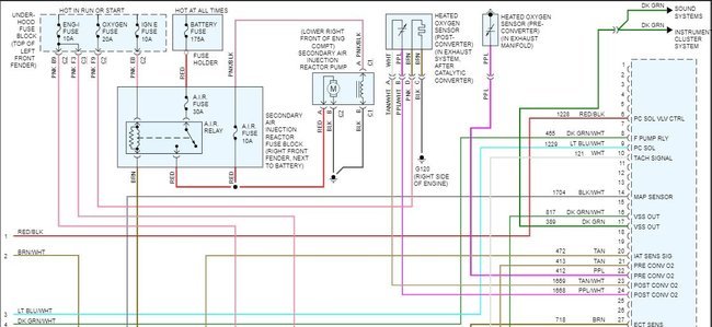
I need a reining diagram for this truck. Engine turns over fine but won't start. Has a new fuel pump. But I need to chase the wires to test. Please help










