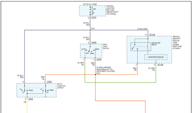
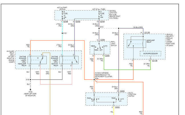
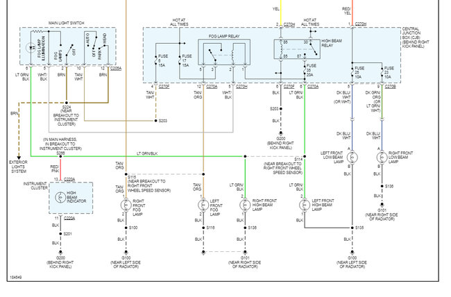
Friday, September 9th, 2022 AT 12:59 PM
Front passenger side low beam not working, replaced bulb. Still nothing checked fuse nothing. Rear passenger turn signal has no power to bulb. Not sure if inline fuse or broken wire. Low beam possible a motherboard inside light problem. I don't have a wiring schematic to go by. Need one.





