Go to test E.
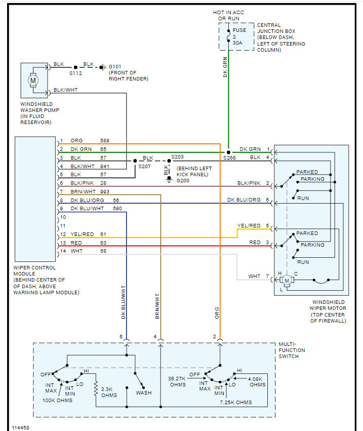
Set multifunction switch to LO position.
Measure the voltage c151 Pin 6 harness side and Pin 5 harness side.
So, I removed c151 and measured at harness to get 11.5 volts.
Now the manual reads "Carry out the Windshield Wiper Motor Test.
Page 501-16-23 of service manual. Component Test Windshield Wiper Motor.
Use Alternator, Regulator, and Starter Tester (ARBST) to test the wiper motor on the vehicle.
So, is there another way to test without that specialized equipment?
Thanks.
Wednesday, June 12th, 2024 AT 7:59 AM













