Wednesday, January 14th, 2015 AT 6:27 AM
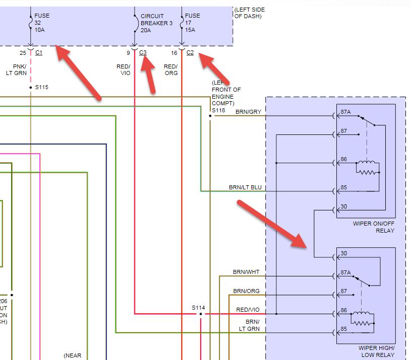
When I go to use my windsheild wipers nothing happens but when I turn them on high they work intermitten. I go to wash the windshield and the wipers dont work unless I turn on high what could it be

