Monday, February 25th, 2019 AT 7:32 PM
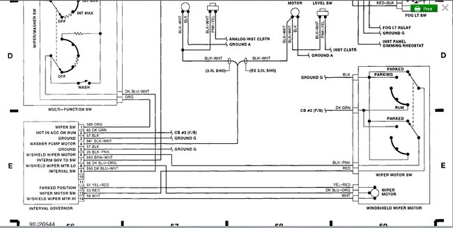
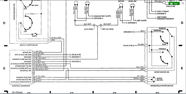
My windshield wipers quit abruptly today. Turning the control for the wipers still produces the clicking sound behind the dash. I checked the fuses and circuit breaker. They are good. Windshield washer still works which is on the same breaker. I checked to ensure the wiper motor is grounded. I have two harness clips at the wiper motor, plus the 2 pin clip at the relay. There is power at the relay clip when the wipers are on. The other two harnesses are as follows: 4-pin clip on front of the motor, and 3-pin clip on top of it. Only one pin has power when wipers are switched on, and it is on the 3-pin clip. Should I have power in the 4-pin clip, or should I assume the motor is bad, or is there a way to test the relay? Thanks














